EPS25-30NC
- Parametri tecnici
- Prevalenza nominale (m) :25
- Flusso nominale (m³/h):5
- Classe IP:IP56
- Classe di isolamento:H
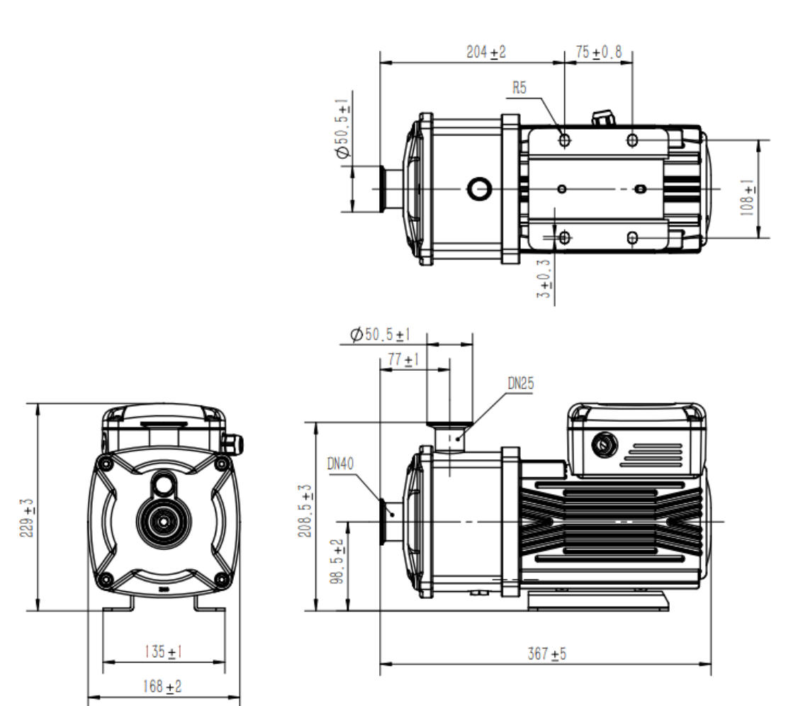
- Dimensione ingresso (mm):Φ50.5
- Dimensioni dell’uscita (mm):Φ50.5
- Lunghezza da porta a porta (mm) :359
- Pressione del sistema(Bar):10
- Temperatura
- Temperatura ambiente (℃) :-40℃~70℃
- Temperatura del liquido (℃):-40℃~65℃
- Dati elettrici
- Potenza (W) :1000
- Frequenza(Hz):50Hz
- Tensione (v):AC 380V




0039 0412993201-6003
info@shinhoopump.com




IPv6-La rete è supportata